工業生產中會產生各種有機物廢氣,主要包括各種烴類、醇類、醛類、酸類、酮類和胺類等;這些有機廢氣會造成大氣污染,危害人體健康,而且還會造成浪費,所以有機廢氣的處理與凈化勢在必行。
1. 新型吸附-催化燃燒法:
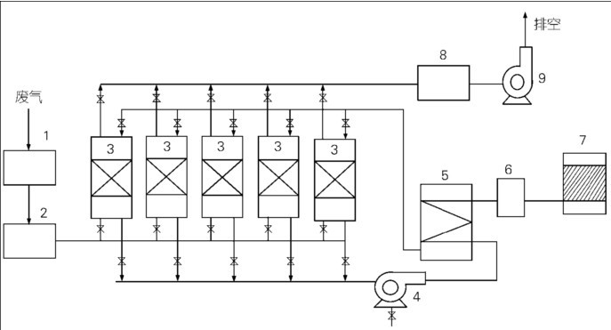
本公司采用新型超活性吸附材料(活性碳纖維或蜂窩狀活性炭)作為吸附劑,有機廢氣通過過濾阻火器過濾,送入吸附床吸收,在接近飲和后引入熱空氣進行脫附、解析,脫附后的高濃度廢氣引入催化燃燒床無焰燃燒,將其徹底凈化,吸附后的潔凈空氣排入大氣,熱氣體在系統中循環使用,大大降低能耗。該技術是目前國內治理有機廢氣較成熟、實用的方法。

圖1 流程示意圖
1 - 過濾阻火器;2 - 氣流分布器;3 - 吸附床;4 - 熱風機;5 - 換熱器 6 - 預熱室;7 - 催化燃燒床;8 - 集氣器;9 - 排風機
本法廣泛應用于化工、噴涂、印刷、輕工等行業的有機廢氣治理,具有良好效果,該凈化系統設計合理、結構緊湊、高效,采用先進的自動控制系統,實現了凈化系統內的吸附、脫附、熱平衡、催化反應連續不停運行。與同類處理大風量、低濃度有機廢氣凈化系統相比,設備投資和運行能耗明顯降低。
工藝性能及特點
a、應用廣泛,對有烴類、醇類、醛類、酸類、酮類有機廢氣治理都有很好效果。
b、效率高,凈化效率達90 %以上,
c、操作簡單,維修方便,維護量小。
d、運行成本低,使用壽命長,運行穩定可靠。
e、投資省,適用于大風量、低濃度的廢氣治理。
光觸媒催化降解技術
本公司光觸媒催化降解技術,采用紫外線作為能源照射二氧化鈦,使二氧化鈦表面電子逃逸,形成空穴,使空穴中帶有正極電荷,有極強的氧化力,可奪走空氣中OH-(氫氧化離子)所含的電子。這時的氫氧化離子會變成極不安定形態,也就是所說的氫氧自由基。氫氧自由基帶有極強的氧化力,能奪去附近有機物中所含的電子從而使自身變得穩定,而被奪去電子后的有機物分子鏈被斷,分解成二氧化碳及水,揮發在空氣中。本技術可將氣體中的甲醛、苯、氨氣等有害污染物氧化、分解成CO2 、H2O 等無毒無味的物質,故不存在二次污染問題。因此,光催化凈化技術被認為是的環保的凈化技術。

圖2 工業有機廢氣去除示意圖
應用領域主要為噴涂、印刷、輕工、大型空調系統除菌等行業,含化學組成烯烴、醛類、脂肪酸類、甲基酮類、芳香族的化合物廢氣。工程工藝設計以光催化氧化單元為中心,結合防水防油的布袋除塵器或水膜式除塵器對廢氣進行預處理,采用無極燈作為人工光源,納米二氧化鈦作為光催化劑。
工藝性能及特點
a. 廢氣凈化效率高。
b. 安全無毒,不產生二次污染。
c. 操作簡單方便。
d. 適應性強對細菌、病毒、甲醛、苯、氨等室內污染都有效果。
e、能耗低,除了必要的引風機外,只需少量的電能作為光源能量。
f、催化氧使用周期長:一般使用6年以上。
PSA法
本公司PSA 技術是利用氣體組分在固體吸附材料上吸附特性的差異,通過周期性的壓力變化過程實現氣體的分離與凈化。PSA 技術是一種物理吸附法。采用沸石分子篩作為吸附劑(吸附容量大、吸附選擇性強) ,在常溫及一定壓力條件下,可把有機廢氣中吸附在沸石分子篩上,沒有被吸附的氣體進入下一個工段。吸附有機廢氣以后的吸附劑通過降壓抽真空把有機物解吸,使吸附劑再生。再生后的吸附劑重新去吸附廢氣中的有機物,以此循環往復。生產過程中采用4 個相同的吸附塔在一臺計算機的控制下,通過調節閥變向不斷改變氣流的流向改變各塔的工作階段,來實現各塔的吸附與再生交替進行。

圖3 PSA 工藝流程
工藝性能及特點
a、 低能耗: 本工藝所采用的壓力在0. 1~2. 5MPa 。
b、 廢氣凈化效率高,有效成分可回收。
c、 工藝流程簡單:可實現多種氣體的分離,此工藝對雜質有較強的承受能力,無須復雜的預處理工序。
a. 自動化程度高: 裝置的運行有計算機控制,操作方便。
b. 適應性強:變壓吸附裝置稍加調節就可以變換生產能力,改變原料中的雜質含量和進口壓力等工藝條件。
c. 吸附劑使用周期長:一般使用10年以上,且稍加新的吸附劑就可以延長使用,檢修少,開工率高。
d. 設備適應性強: 可在室外常溫下運行,不需絕熱保溫或加熱及冷卻。
工程設計
工程總承包
水務運營
環保設備
CopyRight © 江蘇澤宇環境工程有限公司 蘇ICP備14007113號-1







